0,27 €
0,22 €
0,26 €
0,21 €
Supporto verticale per vetro 12-17,52 mm spigot fi 48 mm H=182 mm AISI 304 satinato
prodotto non disponibile
aggiungi alla lista dei desideri
Descrizione
Supporto a spigot rotondo per vetro ø48 mm acciaio inox AISI 304 satinato
Supporto verticale per vetro tipo spigot con base circolare — elemento affidabile per il fissaggio di balaustre e pannelli in vetro. Realizzato in acciaio inossidabile AISI 304 con finitura satinata, garantisce durabilità e resistenza alla corrosione sia in ambienti interni che esterni. Il supporto viene montato direttamente alla struttura portante tramite viti e assicura la stabilità e la sicurezza dell'intera costruzione in vetro.

Caratteristiche principali del prodotto
- Materiale: acciaio inossidabile AISI 304 — elevata resistenza alla corrosione
- Finitura superficiale: satinata — aspetto estetico e opaco
- Compatibilità con vetro di spessore: da 12 a 17,52 mm
- Altezza totale (H): 182 mm
- Diametro del corpo: ø48 mm
- Tipo di montaggio: a vite sulla struttura portante (viti consigliate DIN 7991 con filettatura M8)
- In dotazione: rosone di copertura per nascondere il fissaggio
- Peso: 1,2 kg

Costruzione e montaggio
La parte superiore del supporto è dotata di uno stelo fessurato con due ganasce di serraggio, tra le quali viene inserita la lastra di vetro. All'interno della fessura sono posizionate guarnizioni in gomma, che trattengono saldamente il vetro e lo proteggono dai graffi. Grazie a ciò, la struttura trasferisce efficacemente i carichi e garantisce la sicurezza d'uso.
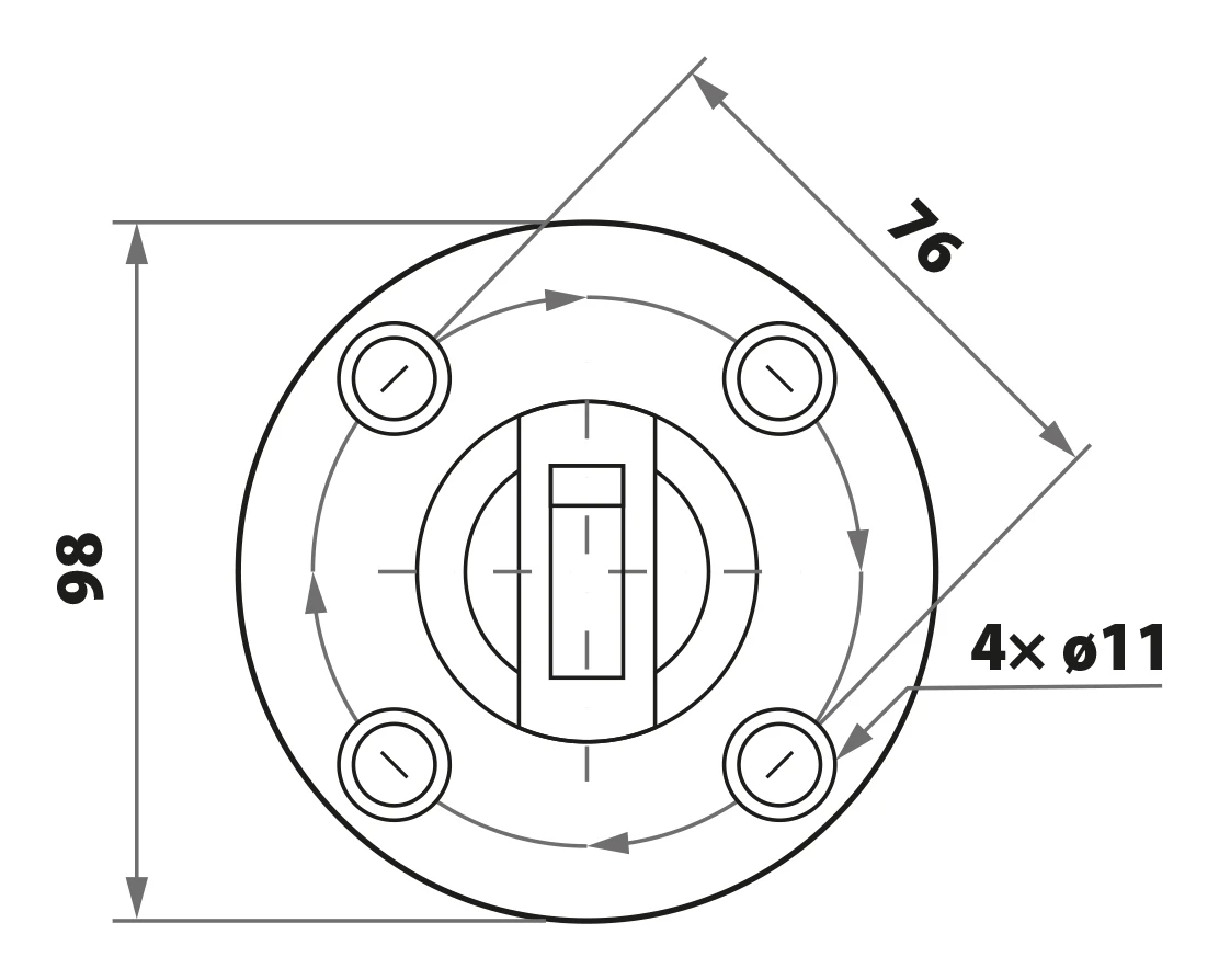
La base di montaggio circolare dispone di 4 fori di fissaggio di diametro ø11 mm distribuiti su una circonferenza con interasse 76 mm, consentendo un fissaggio preciso e simmetrico alla struttura portante. Il rosone di copertura incluso in dotazione copre le teste delle viti, garantendo un aspetto elegante e rifinito.
Dimensioni e specifiche tecniche


- Altezza totale (H): 182 mm
- Diametro del corpo (ø): 48 mm
- Diametro della base: ø98 mm
- Spessore della base: 8 mm
- Interasse dei fori di montaggio (PCD): 76 mm
- Numero di fori di montaggio: 4 × ø11 mm
- Profondità di inserimento del vetro: 72 mm (dal bordo inferiore della base al fondo della fessura)
- Gamma di spessori del vetro: 12 – 17,52 mm
- Tipo di viti consigliato: DIN 7991, filettatura M8

Guarnizioni in dotazione
In dotazione con il supporto sono fornite due guarnizioni in gomma (inserti), da posizionare su entrambi i lati della lastra di vetro all'interno della fessura di serraggio. Le guarnizioni ammortizzano la pressione delle ganasce sul vetro, ne prevengono la rottura ed eliminano i giochi. Grazie al profilo universale, il supporto è compatibile con vetro di spessore da 12 mm (singolo temperato) fino a 17,52 mm (laminato VSG). Ciò consente l'utilizzo del supporto sia per balaustre interne che esterne.
Dati tecnici
| Materiale | AISI 304 |
| Finitura | Satinato |
| Sistema di montaggio | 48,3 mm |
| Spessore del vetro [mm] | 12-17,52 |
Sicurezza
Tutte le recensioni (positive e negative) sono visualizzate, in base alla limitazione del numero della piattaforma. Verifichiamo che provengano da clienti che hanno acquistato il prodotto. Per saperne di più, consultare la nostra pagina politiche dei commenti.