Connettore piatto da carpentiere LP 2 140x55x2,5

000-335 (1)
  • Nuovo prodotto
Disponibilità: In magazzino (grande quantità)
Spedito entro: 7 giorni lavorativi
Peso: 0.14 kg
Prezzo/ pz.: 0,49 € 0.49
incl. 22.00% IVA, escl. costi di spedizione
Prezzo netto/ pz.: (0,40 €)
escl. 22.00% IVA, escl. costi di spedizione
quantità pz.

prodotto non disponibile

aggiungi alla lista dei desideri
Visa Mastercard PayPal Bank Transfer
Valutazione: 0
Fornitore: Domax
Codice prodotto: 000-335

Descrizione

Connettore piatto da carpenteria LP2 140×55×2,5 mm zincato

Il connettore piatto LP2 140×55×2,5 mm è una staffa piatta robusta per carpenteria, progettata per unire elementi in legno le cui superfici laterali si trovano sullo stesso piano. Grazie alla larghezza compatta di 55 mm, è ideale per il fissaggio sui bordi stretti di tavole e pannelli — sia in lavori di falegnameria e mobilificio, sia nelle strutture da carpenteria.

Connettore piatto LP2 140×55 mm – foto del prodotto
Connettore piatto LP2 140×55 mm – foto del prodotto

Il connettore è realizzato in lamiera d'acciaio DX51D + Z275 con spessore di 2,5 mm, che garantisce elevata rigidità e durabilità del collegamento. La superficie è protetta da un rivestimento di zinco galvanico, che protegge efficacemente l'elemento dalla corrosione nelle normali condizioni d'uso. La disposizione studiata di 22 fori consente di utilizzare il connettore sia in soluzioni standard sia in giunti progettati su misura, offrendo all'installatore la massima flessibilità nella scelta degli elementi di fissaggio.

La capacità portante del connettore è di 3,70 kN, a conferma della sua idoneità per strutture in legno soggette a carichi. Il prodotto è dotato di marcatura CE.

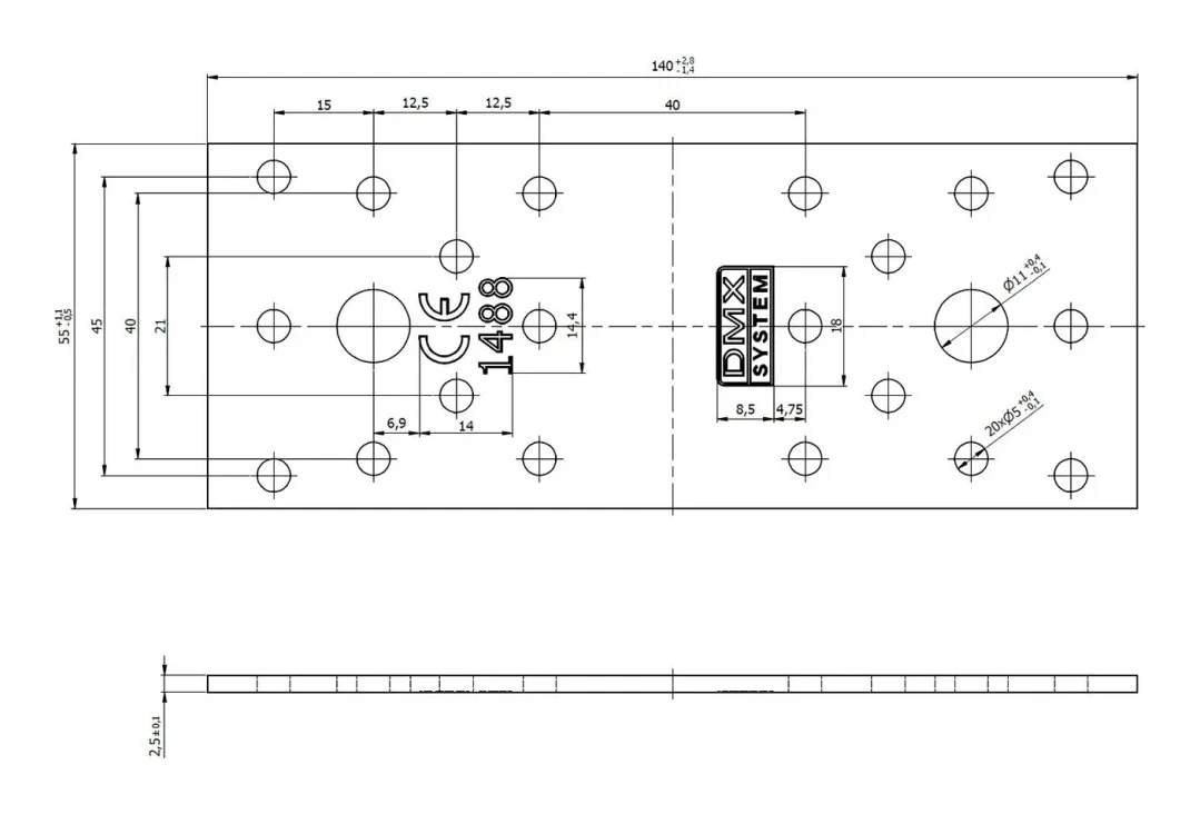
Disegno tecnico del connettore LP2 con quote e disposizione dei fori
Disegno tecnico del connettore LP2 con quote e disposizione dei fori

Parametri tecnici

  • Lunghezza: 140 mm (tolleranza +2,8 / −1,4)
  • Larghezza: 55 mm (tolleranza +1,4 / −0,85)
  • Spessore della lamiera: 2,5 mm (tolleranza ±0,1)
  • Materiale: DX51D + Z275
  • Protezione anticorrosione: zinco galvanico
  • Fori di montaggio: 20 fori ø5 mm + 2 fori ø11 mm
  • Capacità portante: 3,70 kN
  • Marcatura: CE
Illustrazione dell
Illustrazione dell'applicazione del connettore LP2 su un giunto di elementi in legno

Applicazioni

I connettori piatti vengono utilizzati ovunque sia necessario mantenere gli elementi in legno sullo stesso piano — ad esempio per il prolungamento di travi, il collegamento di tavole da cassaforma, il montaggio di elementi d'arredo o il rinforzo di giunti da carpenteria. L'ampia gamma di fori consente un fissaggio flessibile mediante diversi tipi di elementi meccanici.

Elementi di fissaggio consigliati

  • Chiodi anulari ANCHOR ø4 mm
  • Viti da carpenteria per connettori
  • Viti per legno ø6 mm e ø10 mm
  • Bulloni M10 e M12
  • Tasselli per calcestruzzo M10 e M12

Ładowanie tabeli porównawczej...

Dati tecnici

Spessore lamiera [mm] 2.5
Tipo di connettore Piastra piana per legno
Materiale Acciaio

Sicurezza

Tutte le recensioni (positive e negative) sono visualizzate, in base alla limitazione del numero della piattaforma. Verifichiamo che provengano da clienti che hanno acquistato il prodotto. Per saperne di più, consultare la nostra pagina politiche dei commenti.

su
×

VAT ID not verified in VIES!

Visualizza la versione completa del sito
Sklep internetowy Shoper.pl